340 просмотров
₽ 60479
Быстрая покупка
Внимание! Минимальная сумма заказа на сайте от 5000 руб. Если сумма ниже – организационные сборы на транспортные расходы 600 руб.
Похожие товары
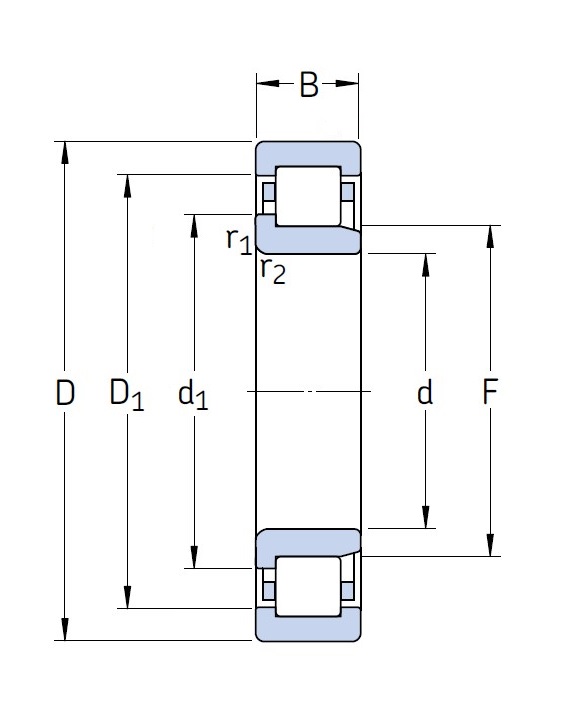
Роликовый цилиндрический подшипник NUP 2213 ETVP2
₽ 46635
Роликовый цилиндрический подшипник NU 2213 ECJ
---
Роликовый цилиндрический подшипник NU 2213 E-XL-M1
Роликовый цилиндрический подшипник NU 2213 ETVP2C3
Роликовый цилиндрический подшипник NU 2213 ETVP2
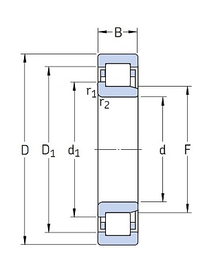
Роликовый цилиндрический подшипник NU 2213
₽ 26231
Роликовый цилиндрический подшипник NU 2213 ECP/C3
₽ 44727
Роликовый цилиндрический подшипник NU 2213 E XL TVP2
₽ 38607
Роликовый цилиндрический подшипник NU 2213 ET C3
Роликовый цилиндрический подшипник NU 2213 W
Цилиндрический, радиальный роликовый подшипник NJ 2213 ECP/C5
Цилиндрический, радиальный роликовый подшипник NJ 2213 ECP/C4
Цилиндрический, радиальный роликовый подшипник NJ 2213 ECP/C3
Цилиндрический, радиальный роликовый подшипник NJ 2213 ECJ/C3
Цилиндрический, радиальный роликовый подшипник NJ 2213 ECJ
₽ 60512
Роликовый цилиндрический подшипник NJ 2213 W
Роликовый цилиндрический подшипник NJ 2213 E XL TVP2
Роликовый цилиндрический подшипник NJ 2213
С помощью данной формы Вы сможете быстро оформить заказ без использования корзины.
Заказать обратный звонок
Отправьте запрос и наш менеджер свяжется с Вами с ближайшее время.
Авторизация